0592-5796266

在线咨询

厦门世达膜科技有限公司电话:0592-5796266

新闻动态

了解我们,抓住行业最新动态

公司新闻
行业动态

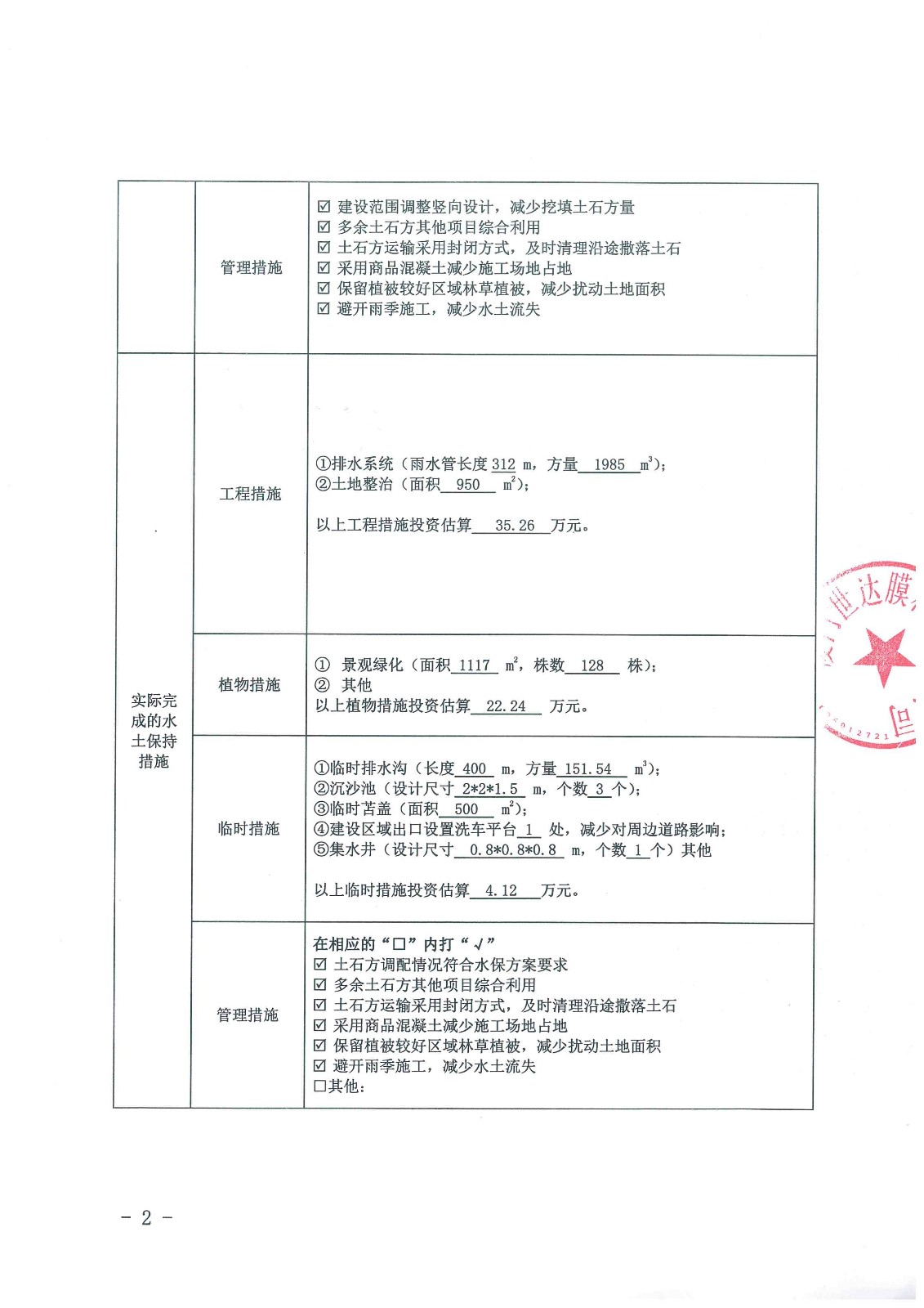
世达膜科技产业园(X2013Y01-G地块) 2#厂房、水泵房及地下消防水池项目 水土保持设施验收公示2020-07-20

由我司建设开发的世达膜科技产业园(X2013Y01-G地块)-2#厂房、水泵房及地下消防水池项目,严格按照水土保持设施验收的要求和程序,于20194月23日组织水土保持方案编制单位、主体工程设计单位、施工单位、监理单位等各参建单位开展水土保持设施自主验收会议,并形成《生产建设单位水土保持设施验收意见表》。

特此公示!

项目联系人:洪小姐,   联系电话:0592-5516518图片2.png



更多新闻

有色冶金废水零排放处理工艺 在“家”吃饭,在“家”活动 聚力张家界——世达膜18周年庆 齐心聚力展团队风采|厦门世达膜2023中秋团建活动圆满举办 厦门市环境科学学会第七届常务理事会第二次会议在我司成功召开